Product Details


G-641
Aircraft Battery

Hover over image for zoom

about this item


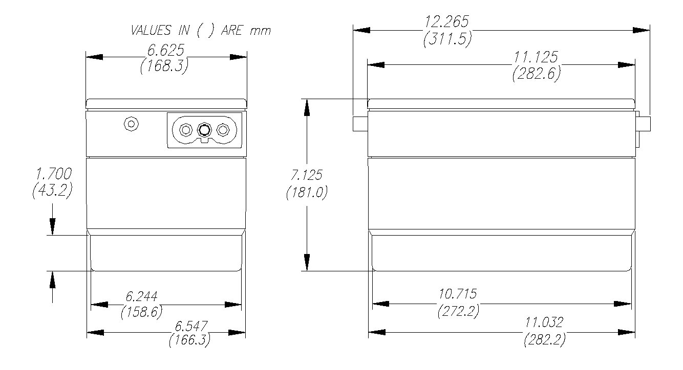
View Line Drawing
View Line Drawing (Alternate)
Notes Regarding Drawings

The data listed in this chart is intended as a suggested reference guide only. See latest revision of drawing 1516 for FAA-PMA Installation Eligibility. Some installations may vary and require airframe or battery box modification. Installations not shown on D.O.T. FAA/PMA listings will require field approval using FAA form 337 or FAA approved STC.

You may purchase by any of the following options...

Teledyne Battery Distributors

Global Availability.


Find a Distributor Near You

Fleet Replacement

One Time Bulk Buy. Upgrade your fleet to the best performing lead acid battery.

Upgrade your Fleet

similar items


7641-20

Similar to items are items with similar physical and performance attributes. Check to see if item in question is approved for your aircraft before purchasing.



recently viewed items


G-641